Milwaukee 6148 . Milwaukee 6148 120V 4 1/2" Sander / Grinder สำนักงานสิทธิประโยชน์ Find many great new & used options and get the best deals for HEAVY DUTY MILWAUKEE 4-1/2" ANGLE SANDER / GRINDER 6148-6 at the best online prices at eBay! Free shipping for many products! The X-large paddle switch (without Lock-On) increases comfort and ease-of use when operating the grinder in various positions.
Milwaukee 6148 120V 4 1/2" Sander / Grinder สำนักงานสิทธิประโยชน์ from musicsala.rsu.ac.th
The Milwaukee 10.0 Amp Small Angle Grinder delivers performance, durability and ease-of-use features for industrial users The X-large paddle switch (without Lock-On) increases comfort and ease-of use when operating the grinder in various positions.
Milwaukee 6148 120V 4 1/2" Sander / Grinder สำนักงานสิทธิประโยชน์ We have model diagrams, OEM parts, symptom-based repair help, instructional videos, and more 6148-6 Magnum Angle Grinder Review The locking paddle switch and three-position handle allow this 4-1/2-in About this item RPM: 10000 RPM Size: 4-1/2 IN Voltage (AC): 120 V-ACMILWAUKEE 6148 Angle Grinder 10000RPM 120V-AC 4-1/2IN - Amazon.com
Source: www.toolpartspro.com Buy Milwaukee 614859(C42C) 4.5” (115mm) ANGLE GRINDER Replacement , Find many great new & used options and get the best deals for HEAVY DUTY MILWAUKEE 4-1/2" ANGLE SANDER / GRINDER 6148-6 at the best online prices at eBay! Free shipping for many products! The Milwaukee 10.0 Amp Small Angle Grinder delivers performance, durability and ease-of-use features for industrial users
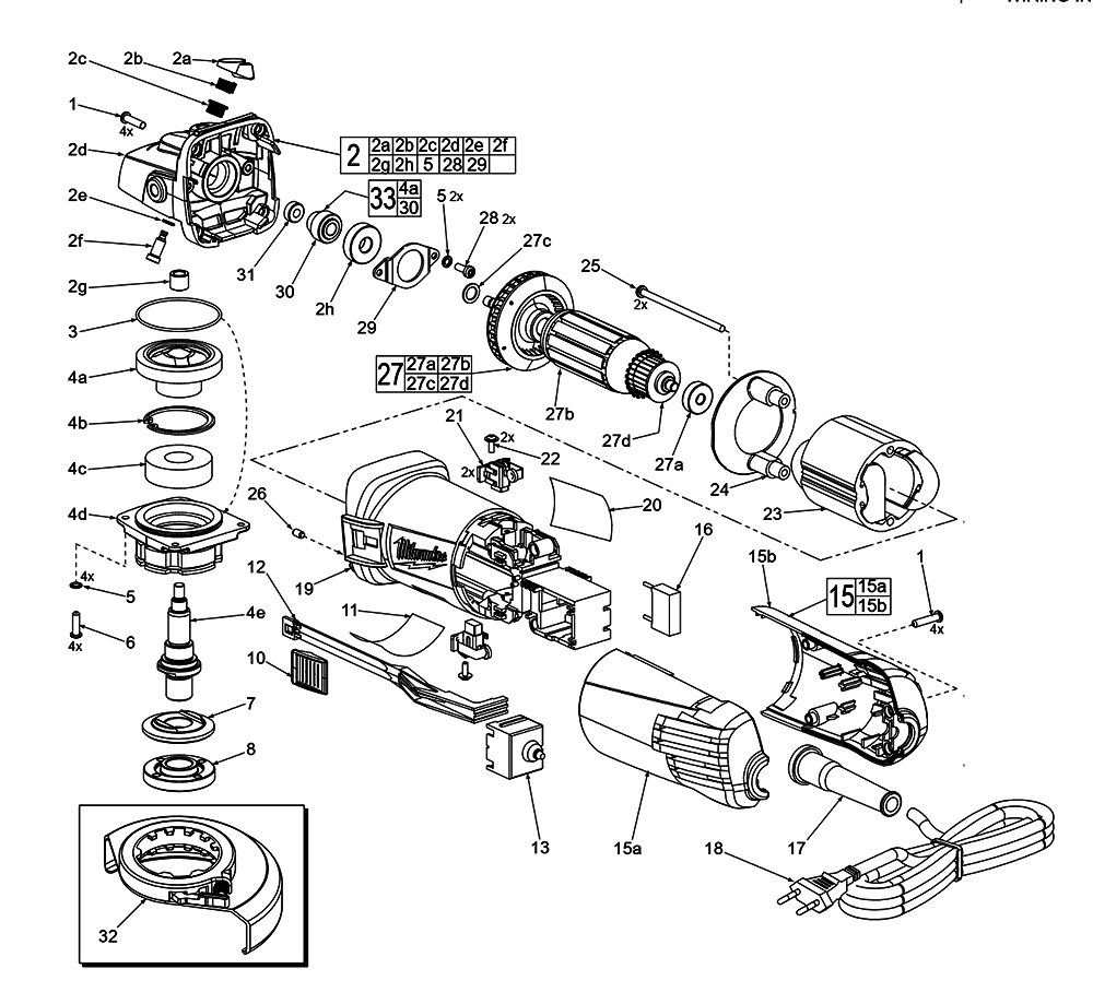
Source: www.repairtoolparts.com Milwaukee 614830(B71C) Parts List Milwaukee 614830(B71C) Repair , We have model diagrams, OEM parts, symptom-based repair help, instructional videos, and more Tool can be used as a sander when a 4-1/2 inch backing pad and disc are attached Ideal for getting into tight spaces where other grinders can not Includes guard, grinding wheel, spanner wrench and side handle
Source: www.newegg.com Milwaukee 614830 41/2" Magmum Sander/Grinder , We have model diagrams, OEM parts, symptom-based repair help, instructional videos, and more The Milwaukee 10.0 Amp Small Angle Grinder delivers performance, durability and ease-of-use features for industrial users
Source: ereplacementparts.com Milwaukee 614830 Parts List and Diagram (B71B) , Its low profile and light weight make it perfect for those medium duty sanding and grinding projects. Find many great new & used options and get the best deals for HEAVY DUTY MILWAUKEE 4-1/2" ANGLE SANDER / GRINDER 6148-6 at the best online prices at eBay! Free shipping for many products!
Source: bid.oahuauctions.com Milwaukee SanderGrinder 6148 & Small Angle Grinder 6161 Oahu Auctions , The X-large paddle switch (without Lock-On) increases comfort and ease-of use when operating the grinder in various positions. This Milwaukee 6148-30 4-1/2-Inch Small Angle Grinder Review is one of the many grinder reviews right from the pros found here on Grinder Critic.
Source: www.manualslib.com MILWAUKEE 6148 OPERATOR'S MANUAL Pdf Download ManualsLib , We have model diagrams, OEM parts, symptom-based repair help, instructional videos, and more A complete guide to your 6148 Milwaukee Sander Grinder at PartSelect
Source: es.scribd.com Amoladora Milwaukee 614859 PDF Enchufes y tomas de corriente , 6148-6 Magnum Angle Grinder Review The locking paddle switch and three-position handle allow this 4-1/2-in Find many great new & used options and get the best deals for HEAVY DUTY MILWAUKEE 4-1/2" ANGLE SANDER / GRINDER 6148-6 at the best online prices at eBay! Free shipping for many products!
Source: www.amazon.com MILWAUKEE 6148 Angle Grinder 10000RPM 120VAC 41/2IN , Milwaukee Tool is the most respected manufacturer of heavy-duty power tools, hand tools, instruments, and accessories. angle grinder from Milwaukee to perform many different tasks
Source: www.ebay.com Milwaukee 6148 Heavy Duty 4.5" Magnum Sander Grinder with Handle eBay , A complete guide to your 6148 Milwaukee Sander Grinder at PartSelect We have model diagrams, OEM parts, symptom-based repair help, instructional videos, and more
Source: www.ebay.com 1C pre owned corded MILWAUKEE 6148 4 1/2" sander grinder eBay , This Milwaukee 6148-30 4-1/2-Inch Small Angle Grinder Review is one of the many grinder reviews right from the pros found here on Grinder Critic. Its low profile and light weight make it perfect for those medium duty sanding and grinding projects.
Source: musicsala.rsu.ac.th Milwaukee 6148 120V 4 1/2" Sander / Grinder สำนักงานสิทธิประโยชน์ , The X-large paddle switch (without Lock-On) increases comfort and ease-of use when operating the grinder in various positions. The 6148-6 Magnum® series 4-1/2 inch 8.5 amp grinder is ideal for getting into tight spaces where other grinders can not
Source: www.ebay.com Milwaukee 614830 heavy duty grinder contractor bag included eBay , Shop OEM replacement parts by symptoms or model diagrams for your Milwaukee 6148 4-1/2" Angle Grinder (SER 856B)! The 6148-6 Magnum® series 4-1/2 inch 8.5 amp grinder is ideal for getting into tight spaces where other grinders can not
Source: ereplacementparts.com Milwaukee 614830 Parts List and Diagram (B71C) , Milwaukee Tool is the most respected manufacturer of heavy-duty power tools, hand tools, instruments, and accessories. A complete guide to your 6148 Milwaukee Sander Grinder at PartSelect
Source: www.rollerauction.com Milwaukee 614830 41/2in Small Angle Grinder Roller Auctions , A complete guide to your 6148 Milwaukee Sander Grinder at PartSelect Tool can be used as a sander when a 4-1/2 inch backing pad and disc are attached Ideal for getting into tight spaces where other grinders can not Includes guard, grinding wheel, spanner wrench and side handle
Source: www.amazon.com MILWAUKEE 6148 Angle Grinder 10000RPM 120VAC 41/2IN , Tool can be used as a sander when a 4-1/2 inch backing pad and disc are attached Ideal for getting into tight spaces where other grinders can not Includes guard, grinding wheel, spanner wrench and side handle We have model diagrams, OEM parts, symptom-based repair help, instructional videos, and more
Milwaukee 6148 Heavy Duty 4.5" Magnum Sander Grinder with Handle eBay . 6148-6 Magnum Angle Grinder Review The locking paddle switch and three-position handle allow this 4-1/2-in The 6148-6 Magnum® series 4-1/2 inch 8.5 amp grinder is ideal for getting into tight spaces where other grinders can not
MILWAUKEE 614830 41/2" ANGLE GRINDER eBay . A complete guide to your 6148 Milwaukee Sander Grinder at PartSelect The Milwaukee 10.0 Amp Small Angle Grinder delivers performance, durability and ease-of-use features for industrial users